What is modification ratio?
Modification ratio estimates a fiber’s performance, using a mathematical calculation based on the roundness of the fiber. The rounder the fiber, the lower the modification ratio, and the better the carpet will perform.
Modification ratio is calculated by comparing the outer circumference of the fiber to the circumference of the inner circle. The smaller the ratio, the more soil resistant the fiber will be and the better the carpet will wear. The larger the ratio, the more likely the fiber will trap and hold soil and the carpet might experience premature pile crush or matting.

Modification Ratio = X / Y
(where X = outer circumference and Y = inner circumference)
Consider Modification Rates Based on Traffic
The preferred modification rate (MR) for medium to high traffic areas = <2.2
The preferred MR for high to very high traffic areas = <1.5
The fibers in ShadowFX carpet tile have a modification ratio of 1.5 – 2.1.
By comparison, carpet-mill extruded Type 6 Nylon has a ratio of as much as 4.7.
Sources:
National Floor Covering Association
Interface, High Performance Fiber
ShadowFX premium-branded fibers key to durability and long-lasting beauty.
Premium branded, solution-dyed nylon fibers with low modification ratios are key to the durability and long-lasting beauty of our ShadowFX ESD carpet tile, also known as antistatic carpet tile or static-control carpet tile.
Why premium fibers?
Mill-extruded fibers are value-engineered for mill profitability and process expedience. Since fibers are the building blocks of a robust carpet tile, this is the wrong place to cut corners.
Appearance and longevity rely heavily on the quality and shape of the individual fibers. In a 24/7 space like a 9-1-1 call center, durability and longevity are mandatory. Replacing the carpet because it no longer looks good would be like closing a Los Angeles highway during rush hour to repair a roadway built with fragile concrete.
How do you know if a fiber is carpet-mill-extruded?
It’s easy: for starters, mills making their own fibers use their own carpet mill brand names for describing the nylon. Example XYZ Mill Premium Branded Nylon.
What if modification ratio info is missing from a suppliers literature?
You should ask for this information from the manufacturer. It is readily available. If they won’t supply the information or claim that modification ratio is not relevant to your project, you might ask yourself why they would conceal a fact that is readily available from premium-branded fiber manufacturers like Universal, Invista and Aquafil.
Here’s a real example of the use of Modification Ratio taken from a flooring specification for a government healthcare project in Indiana:
Face Fiber: 100% Nylon, Premium Branded by Invista, Universal or Aquafil. All fibers must have a modification ratio of 2.5 or less. Fibers extruded by carpet mills will be considered “unbranded” for purposes of this standard.
Passing the Test
We go beyond standard wear testing with our proprietary ART – Appearance Retention Test.
ART is the only test of its kind to simulate real world usage for 1 year, 5 years, 10 years or more.
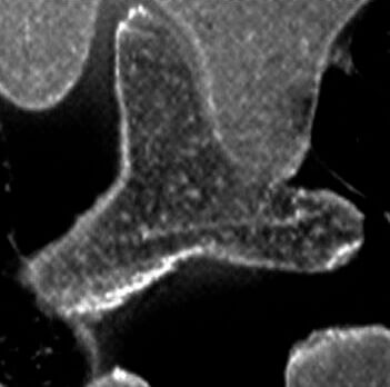
To illustrate the superior performance of the fibers we use, we ran a 10 year wet and dry ART test on ShadowFX carpet with a fiber modification ratio of less than 2.0, along with a competitive product made with fibers with a modification ratio of greater than 2.5.
See the cross section of each fiber and the before and after images of the length of the fibers. Notice the abrasion and breakdown of the fiber in the competitive product.







Install Over Any Existing Hard Surface – An Ideal Option For Occupied Workspaces
ShadowFX Floating Floors
Create a floating floor by positioning ShadowFX carpet tiles over GroundBridge™, then join tile corners with TacTiles®.
- No VOCS—no need to shuffle employees to different work areas or endure downtime and disruptions.
- No need to remove furniture. Just lift desk and consoles and place tiles in designated spaces.
- No glue, no mess—easy fast, clean installations and tile replacement.
Explore Our ShadowFX Collections
Ready to Eliminate Static Risk?
When your facility’s protection depends on getting it right the first time, choose
the company with an unmatched track record. We’re standing by to assist you.
Static-Control Education at Your Fingertips
Explore the StaticWorx Knowledge Center for technical articles, videos, and guides to help you specify, install, and maintain ESD flooring with confidence.